Abstract
The operation of a direct torque control (DTC) system for induction motors with the possible presence of unbalanced modes in the motor windings is studied. It is shown that in the presence of asymmetric modes in the motor windings, the classical DTC algorithm becomes unstable. It is proposed to improve the DTC by taking into account the unbalance of the active resistances of the motor stator windings when determining the DTC parameters. This will make it possible to study electrodynamic processes in DTC with the possible presence of asymmetric modes in the windings of induction motor.
Export citation and abstract BibTeX RIS

Original content from this work may be used under the terms of the Creative Commons Attribution 4.0 licence. Any further distribution of this work must maintain attribution to the author(s) and the title of the work, journal citation and DOI.
1. Introduction
The creation of modern electric rolling stock requires the selection of the most rational version of its traction electric drive to ensure high energy efficiency and low impact on the environment. In modern electric transport, squirrel-cage induction electric motors have become the most widespread as traction electric motors [1–3]. To control them, systems built using scalar [4, 5], vector [6–8] and direct torque control (DTC) [9–11] are used.
Each of these systems has its advantages in separate modes of operation of the traction drive. Thus, scalar control is used at high speeds of movement, and vector control and DTC are rationally used at low speeds of movement [5]. In addition, systems with scalar control allow speed regulation in a wide range, but in these systems it is not possible to achieve high quality of transient processes [5]. Therefore, two control methods are most widely used in traction drive systems with induction motors: vector control and DTC. A comparison of the advantages and disadvantages of these control systems is given in works [12–14]. The main aspects of the comparison of the two systems are given in the table 1. As can be seen from table 1, the DTC is more promising because it has a simpler architecture and is more energy efficient. That is why the authors chose a system of DTC by traction induction motors for this study.
Table 1. Comparison of advantages and disadvantages of vector and DTC for induction motors.
| Control system | Advantages | Disadvantages |
|---|---|---|
| Vector control | Complexity of the regulation system; | |
| Greater fast dynamic response; | Lower energy efficiency: | |
| Smaller torque ripples; | Simultaneous control of torque and magnetic flux of the motor; | |
| A more complex architecture of the control system | ||
| DTC | Separate torque control and stator flux linkage; | Bigger torque ripples; |
| Greater energy efficiency; | Slow response to step changes in torque during start-up | |
| Simplicity of the control system architecture |
A peculiarity of the operation of the traction electric drive on the electric rolling stock is the quasi-stationary mode of operation, since the traction electric drive is constantly affected by disturbing influences [15]. This leads to the short-term occurrence of transient processes in the traction drive system, which, in turn, causes the asymmetry of the stator current systems of the traction motors and the asymmetry of the voltage system at the output of the traction inverter. The non-stationary, non-deterministic process of changing the voltage in the catenary [15–17] causes voltage pulsations on the direct current link. An attempt to break down one motor causes an unevenness of the current load, which will lead to an asymmetry of the system of traction currents [18, 19] when several traction motors are powered from one inverter. The considered modes that cause the appearance of asymmetric modes in the elements of the traction electric drive system are not emergency. They do not require immediate disconnection of the element of the traction drive where asymmetric modes have arisen.
On the other hand, during the operation of electric rolling stock in the traction drive system, emergency modes may occur, caused by the appearance of asymmetric modes both due to damage to the windings of the traction electric motor [20–22] and in the power supply system of induction electric motors [23–25]. The presence of asymmetric modes in the windings of the traction electric motor leads to an increase in power consumption, an increase in the average value of the stator current, a decrease in the efficiency and power factor of the motor, as well as an increase in the pulsations of the motor torque [26–28]. The appearance of asymmetry in the power supply system of induction motors leads to the same negative effects [28–30]. An asymmetry in the shoulders of the inverter or in the windings of the traction motor is an emergency mode that requires disconnection of the traction drive element where it occurred.
The most common type of protection in the event of emergency modes of both the inverter [31–33] and the traction motor [34–36] is based on the maximum current protection algorithm. That is, disconnection of the damaged element of the traction drive occurs when some specified value of the phase current is exceeded with a time delay after diagnosis. However, in operation, modes are possible when, when the stator winding of the electric motor is damaged, its phase currents for some time do not reach the values necessary for the activation of the protection and, accordingly, its shutdown. The consequence of this factor is an increase in the degree of damage to the electric motor. This leads to increased motor repair costs. Operation of the inverter in such modes has risks of its damage. More advanced protection systems are built based on the analysis of the values of the phase currents of the inverter and traction motor [37–39]. The authors believe that distinguishing transient processes from emergency modes in the traction drive system by analyzing the phase current is an urgent task for the further development of methods for diagnosing asymmetric modes in traction drive elements.
However, when asymmetric emergency modes appear, as a rule, the efficiency of control systems is lost, as a result of which the traction drive stops working. That is, it is not possible to collect information, the analysis of which will allow the application of diagnostic procedures. To solve this problem, it is necessary that the operation of the traction drive system with DTC in asymmetric modes caused by both transients and emergency modes would be correct.
When constructing a classical DTC [9–11], the hypothesis that the arms of the inverter and the motor windings are symmetrical is used. This leads to the fact that when determining such parameters of the control system as the modulus and angle of the stator flux coupling and the value of the torque, errors occur. Errors in determining the specified parameters of the control system, in turn, lead to inaccuracy in determining the sector of the voltage position of the inverter on the phase plane and, as a result, to an error in the inverter key switching algorithm. The specified factors lead to the incorrect operation of the control system, which can even lead to unstable modes of its operation. Therefore, the development of a control system for induction traction motors, which can work in the conditions of the occurrence of asymmetric modes in the elements of the traction drive, is an urgent problem.
Research of powerful electromechanical systems should be carried out by means of mathematical modeling [40–42]. First of all, this is related to the complexities of physical modeling of asymmetric modes of the traction electric drive, which requires expensive equipment for both the traction electric drive system itself and measuring tools. Secondly, insufficient study of the processes in the traction electric drive system in asymmetric operating modes requires a preliminary computer study. This fact is necessary to determine the features that can be investigated in the future during physical modeling. That is, the first stage should be computer modeling itself. Thus, the development of a simulation model of the DTC of induction traction motors of electric rolling stock with the possible presence of asymmetric modes in the traction drive elements is an urgent problem.
2. Simulation model of the DTC of induction traction motors, taking into account possible asymmetric modes
During the study of electrodynamic processes in the DTC an induction motor of the СТА1200 series, which is used as a traction motor on an AC electric locomotive of the DS-3 series (Ukraine), was chosen as a traction motor. Motor parameters required for modeling are listed in table 2 [43]. All other traction motor parameters needed to create the model are calculated below.
Table 2. Nominal values of the parameters of the CTA1200 induction motor.
| Number | Parameter | Designation | Unit | Value |
|---|---|---|---|---|
| 1 | Power | P | kW | 1,200 |
| 2 | Effective value of line voltage | U | V | 1,870 |
| 3 | Effective value of stator phase current | I | A | 450 |
| 4 | Rated supply voltage frequency | f | Hz | 55.8 |
| 5 | Number of phases | m | 3 | |
| 6 | Number of pole pairs | p | 3 | |
| 7 | Rated speed | n | rpm | 1110 |
| 8 | Shaft torque | T | N·m | 10324 |
| 9 | Efficiency | η | relative units | 0.955 |
| 10 | Power factor | cosφ | relative units | 0.88 |
| 11 | Stator active resistance | Rs | Ω | 0.0226 |
| 12 | The active resistance of the rotor windings reduced to the stator windings | Rr, | Ω | 0.0261 |
| 13 | Leakage inductance of stator winding | Ls | mHn | 0.65 |
| 14 | The leakage inductance of the rotor winding reduced to the stator winding | Lr | mHn | 0.45 |
| 15 | Total inductance of the magnetizing circuit | Lμ | Hn | 19.4336 |
| 16 | Moment of inertia | J | kg·m2 | 39 |
2.1. Simulation model of the classical DTC for induction motor
2.1.1. Rationale for choosing a simulation model of a traction induction motor
The simulation model of an induction motor made in three-phase coordinates [44] should be used when conducting research in conditions of asymmetric supply voltages and asymmetric windings. Such a model is presented in [43]. The electrical part of the motor is made on the elements of the Simscape library of the MATLab software environment, and the magnetic and mechanical parts are made on the elements of the Simulink library. The use of elements of the Simscape library made it possible to avoid decomposing the voltages into symmetrical components [45] and organizing each component of its separate motor model with their unification in the mechanical part when the supply voltages are not symmetrical. But in [43] magnetic losses in the steel of the motor as a function of time were not taken into account. A simulation model that takes into account the magnetic losses in the motor steel as a function of time is given in [46] and was chosen for the study. Since the mathematical apparatus, on the basis of which the simulation model of an induction traction motor is implemented, is given in [46], it is inappropriate to present it in this paper.
2.1.2. Development of a simulation model of the classic DTС
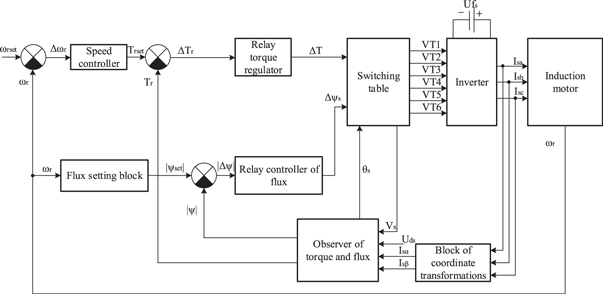
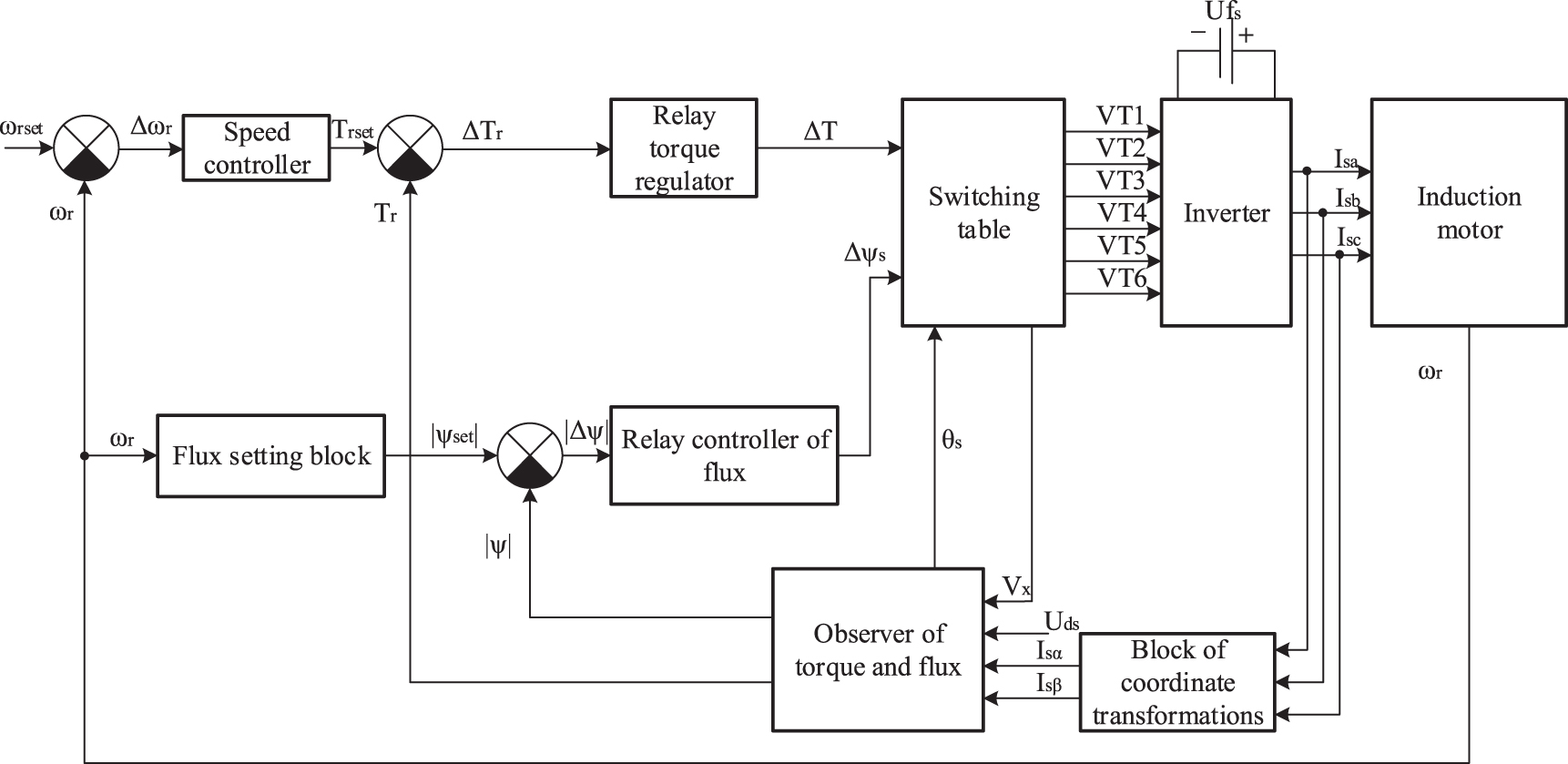
The structural diagram of the classic DTC of an induction motor is shown in figure 1 [47, 48].
Figure 1. Structural diagram of the classic method of the DTC of an induction motor.
Download figure:
Standard image High-resolution imageThe principle of operation of the DTC is described using the system of equations of squirrel-cage induction motor, represented in the orthogonal coordinate system α, β, stationary relative to the stator [43, 44].

In formula (1)
- projecons of the corresponding vectors on the α and β axes, ω– rotor angular frequency, p– number of motor pole pairs,
– stator and rotor winding resistance,
– stator, rotor and magnetization inductances,
– stator voltage along α and β coordinates,
- motor dissipation factor.
The torque of an induction motor can be determined through vector modules

In formula (2)
– the module of the space vector of the stator flux coupling;
- the module of the space vector of the flux linkage of the rotor;
– the angle between space vectors of the flux linkage of the stator and the rotor.
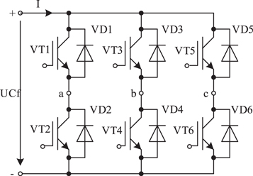
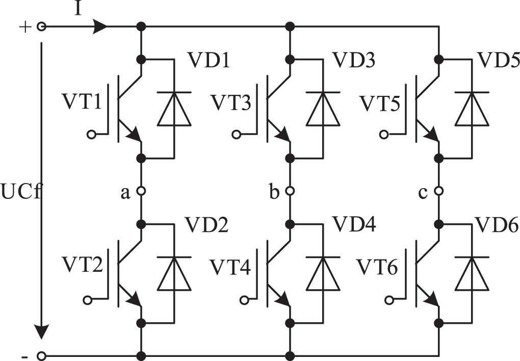
The process of switching the keys of the inverter is implemented between several preselected combinations of the inverter keys in traction electric drives of electric rolling stock with the DTC. There are a certain number of basic voltage vectors that correspond to the necessary states of a typical circuit of a two-level inverter (figures 2, 3) [49–51].
Figure 2. Schematic diagram of an inverter without a filter.
Download figure:
Standard image High-resolution imageFigure 3. Location of the inverter voltage vector system on the phase plane.
Download figure:
Standard image High-resolution imageThe switching table of power transistors (keys) of the inverter is the basis of any algorithm of functioning of the DTC. The version of the switching table with a three-position torque relay and a two-position stator flux coupling relay is the most common [47, 48] (table 3).
Table 3. Table of switches of the inverter keys depending on the combination of error values for the torque (ΔT), for the stator flux linkage (ΔψS) and the required sector of the phase plane.
| Δψs | Sector | ||||||
|---|---|---|---|---|---|---|---|
| ΔT | I | II | III | IV | V | VI | |
| ↑ |
|
|
|
|
|
| |
| ↑ |
|
|
|
|
|
| |
| 0 |
|
|
|
|
|
| |
| ↓ | ↓ |
|
|
|
|
|
|
| ↑ |
|
|
|
|
|
| |
| 0 |
|
|
|
|
|
| |
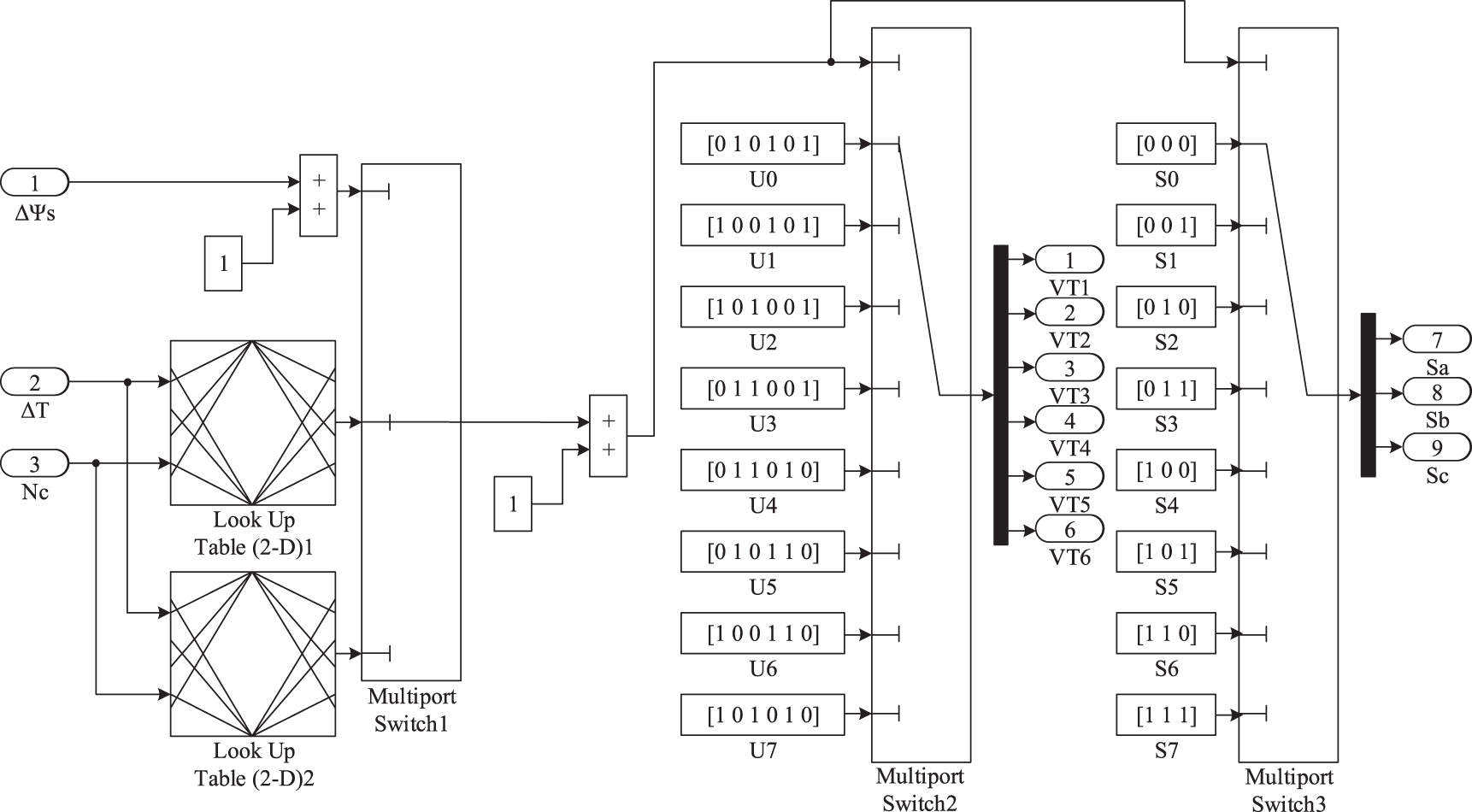
The switching table (table 3) can be implemented in various ways during mathematical modeling. The MATLab software complex and its main Simulink library were used in the simulation. The algorithm for forming the state of the inverter power switches is implemented using ready-made blocks of the MATLab software complex, which is available in the Simulink library (figure 4). The dependence of the state of the inverter power switches on the voltage vector formed according to the switching table (table 3) can be shown in the form of a table (table 4). The switching function of each voltage phase is equal to 0 or 1, depending on the state of the inverter keys 'close' or 'open', respectively.
Figure 4. Structural diagram of the subsystem in the implementation of the switch table block function, made in the MATLab software environment.
Download figure:
Standard image High-resolution imageTable 4. Dependences of the value of the switching function of each phase of the voltage and power switches of the inverter on the selected voltage vector.
| VT1 | VT2 | VT3 | VT4 | VT5 | VT6 |
|
|
|
|---|---|---|---|---|---|---|---|---|---|
| Close | Open | Close | Open | Close | Open | 0 | 0 | 0 |
| Open | Close | Close | Open | Open | Close | 1 | 0 | 0 |
| Open | Close | Open | ose | Open | Close | 0 | 1 | 0 |
| Close | Open | Open | Close | Open | Close | 1 | 1 | 0 |
| Close | Open | Open | Close | Open | Close | 0 | 0 | 1 |
| Close | Open | Close | Open | Close | Open | 1 | 0 | 1 |
| Open | Close | Close | Open | Close | Open | 0 | 1 | 1 |
In table 4, S a , Sb , Sc —switching functions of the phase voltages of the inverter.
Control of the phase sector, in which the current vector of the stator flux linkage is located, is necessary to determine the columns of the switching table (table 3). This control of the phase sector makes it possible to obtain information about the rotating magnetic field of the induction motor. Also, the control of phase sectors in the system of the DTC of the induction motor allows harmonizing its variable and discrete parts.
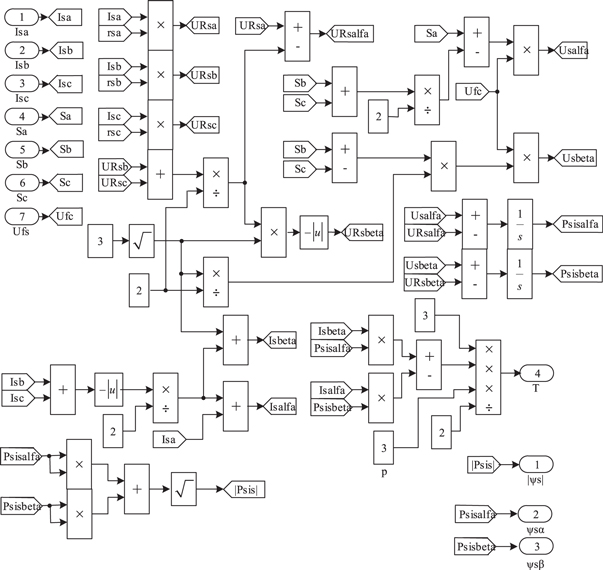
2.1.3. The model of the torque, flux linkage observer and calculation of the parameters of the regulators
In addition to the calculation of the phase sector, which is implemented using the adaptive model of the induction motor, it is also necessary to calculate such parameters as torque and flux linkage. Direct measurement of these parameters with the help of sensors is very difficult due to the lack of accessible and inexpensive flux linkage and torque sensors. In this regard, the implementation of the torque observer and flux linkage is fundamental in the construction of the DTC. The observer of torque and flux linkage of the motor is developed according to the balancing system of an induction motor in the α, β coordinate system associated with the stator

where
– the stator currents along the α and β coordinates, and the scalar value of the flux linkage vector module is calculated as follows

DC link voltage, induction motor stator phase currents, and rotor speed, which is required to perform drive speed control, are parameters observed in the DTC. The design of the DTC with a speed sensor was chosen because it is more accurate than the one without a speed sensor.
Since during the construction of the DTC, the observed value is the voltage of the direct current link (figure 1), the values
were calculated as follows


In formulas (5) and (6), Ufs —the voltage on the direct current link.
Calculation of the stator flux linkage module and the value of its projections on the α, β axis was carried out according to formulas (3). Preliminary determination of the angle between the stator flux coupling vector
and the axes in the fixed coordinate system was carried out in accordance with the formulas



After obtaining the phase of the stator flux linkage vector, determining which phase sector it belongs to was performed according to the following algorithm (taking into account that the phase of the stator flux linkage vector is no more than 180° and is calculated in degrees)

In the DTC, a two-position relay controller of the stator flux linkage without an insensitivity zone is used (block 'Relay controller of flux' figure 1) and a three-position relay torque regulator using an insensitivity zone ('Relay torque regulator' figure 1). Both relay regulators have a hysteresis tolerance (figure 5).
Figure 5. Characteristics of relay regulators of flux linkage and torque with hysteresis tolerance: (a) flux linkage; (b) torque.
Download figure:
Standard image High-resolution imageThe parameter a (figure 5(b)) is assumed to be zero, since a faster response of the control system to a disturbing influence is necessary when developing a system of the DTC by traction induction motors. Since two signals − 0 or 1 - are required to implement the operation of the switching table on the side of the flux linkage regulator (figure 4), the amplitude of the flux linkage regulator C (figure 5) changes from 0 to C. The switching frequency of the flow coupling relay regulator was chosen based on the following considerations. On the electric locomotive of the DS-3 series, the sampling frequency during the organization of pulse width modulation
[43]. That is, the switching frequency of the flow flux linkage regulator relay should be
The value of the coefficient bψ
, which determines half the width of the hysteresis (figure 5(a)) is determined by the formula [45, 52, 53].

In formula (11), ψμ —the nominal value of the flux linkage of the magnetic circuit of the motor.

In formula (12)
—the nominal frequency of the supply voltage.
The switching frequency of the torque controller must also be equal to the sampling frequency, i.e.
The value of the coefficient bT, which determines half the width of the hysteresis (figure 5(b)), is determined by the formula [54–56]

In formula (13)
—the nominal value of the torque; Tj—the time constant of the torque control circuit, which was determined by the formula

As a speed controller, it is proposed to use a PI regulator [57–59] ('Speed controller' figure 1). The controller parameters were calculated according to the method given in works [57–59]. The proportional component of the regulator was calculated according to the formula

An integral component of the speed controller

In formulas (15), (16) kfbT = 1/Tnom , kfbω = 1/ωnom—feedback coefficients for torque and angular velocity.
Coordinate transformations from the ABC system to the αβ system were carried out using formulas

2.1.4. Simulation model of the classical DTC and simulation results
The simulation model of the classical DTC is made in the MATLab software environment as shown in figure 6.
Figure 6. The simulation model of the classical DTC of an induction motor performed in the MATLab software environment.
Download figure:
Standard image High-resolution imageFigure 6 shows the following blocks. In the 'Induction Motor' block unified simulation model given in [46]. The 'Inverter' block implements the schematic diagram of the inverter shown in figure 2. Since the electrical part of the induction motor is made on the elements of the Simscape library of the MATLab software environment, the 'Inverter' block is made on the elements of the same library. The 'Switching table' block implements the functions of the switching table block (figure 4). In the block 'Sector Number Determination Block' the algorithm for determining the sector number (10) is implemented. In the 'Flux Observation Unit' block implemented formulas (3)-(9) and (17).
In the 'Regulator block' block speed, torque and torque controllers are implemented. To study the operation of the traction drive at speeds of rotation of the motor shaft greater than the nominal one, using the 'Stator Flux Linkage Settings Block' field weakening mode is organized. At speeds less than or equal to the nominal, the stator flux linkage is equal to the nominal value.
At speeds greater than nominal, the flow coupling is determined by the formula

The simulation was performed for the nominal mode of the traction motor. As a result of the simulation, time diagrams of the motor shaft rotation speed (figure 7(a)), torque (figure 7(b)), stator currents (figure 7(c)) and stator currents in steady state (figure 7(d)) were obtained. The following parameters are determined from the time diagrams for the stable mode; the maximum value of the electromagnetic moment Tmax = 13150 N·m, the minimum value of the electromagnetic moment Tmin = 7550 N·m, the frequency of rotation of the motor shaft nr = 1111.3 rpm. The calculated average value of the electromagnetic moment Tav. = 10350 N·m. Based on the values of the stator phase current of phase A, the first harmonic component of the instantaneous value of the stator current was determined, the value of which was Is1 = 627 A. The obtained values were compared with the nominal values given in the table 2. The corresponding errors were calculated, the value of which did not exceed 1%. This indicates the high reliability of the obtained.
Figure 7. Time diagrams of motor shaft rotation speed (a), torque (b), stator currents (c) and stator currents in steady state (d) for the nominal mode with the classical DTC.
Download figure:
Standard image High-resolution image2.2. Study of the operation of a simulation model of the classical DTC of an induction motor in conditions of asymmetry of the stator windings
The asymmetric mode of the windings of an induction motor can be implemented on a simulation model [46]. For this purpose, it implements the method of determining the main inductance through the geometric dimensions of the motor windings [60]. For this purpose, the following changes were made to the simulation model (figure 6). The number of turns of the stator winding [43] was reduced from 48 to 43 turns, the active resistance of the stator winding of phase A was reduced from 0.0226 (table 1) to 0.02034 Ohm, and the inductance of the same winding was reduced from 0.00065 H (table 1) up to 0.000585 Hn . This mode corresponds to inter -turn shorting on phase A of the stator in the presence of 10% of short-circuited turns. For a given mode on the simulation model (figure 6), as a result of the simulation, time diagrams of the motor shaft rotation speed (figure 8(a)), torque (figure 8(b)), stator currents (figure 8(c)) and stator currents in a stable mode (figure 8(d)).
Figure 8. Time diagrams of the motor shaft rotation speed (a), torque (b), stator currents (c) and stator currents in steady state (d) for the asymmetric mode of the stator windings of an induction motor with the classical DTC.
Download figure:
Standard image High-resolution imageThe operation of the classical DTC in asymmetric modes of the stator windings of the traction motor is unstable (figure 8). This circumstance is explained by the following fact. The hypothesis about the symmetry of active resistances is the basis for the construction of the flux coupling observer (figure 6). If the stator windings of the traction motor are not symmetrical, this hypothesis ceases to be true. Errors in the calculation of such parameters as the torque, the module and the angle of the stator flux coupling vector arise as a result of this fact. Errors in the calculation of the specified parameters lead to errors in determining the sector of the inverter voltage vector system on the phase plane and, as a result, to an error in the inverter key switching algorithm, which leads to a regulation error. During the operation of the DTC, the adjustment error accumulates. The accumulation of adjustment error leads to the fact that the operation of the DTC becomes unstable.
That is, the use of the classic DTC in traction drives with the possible occurrence of asymmetric modes of the motor windings is incorrect.
2.3. An improved of the DTC of an induction traction motor, which can work with the possible presence of asymmetric winding modes of induction motor
As mentioned above, the unstable operation of the DTC is explained by the fact that the change in the active resistance of one of the phases was not taken into account during the organization of the flux coupling observer unit based on expressions (3). Therefore, the determination of the modulus of the stator flux coupling vector and, as a result, the angle of the stator flux coupling vector and the torque was performed incorrectly. Improvement of the classic DTC was carried out as follows. In the classic DTC, a transition is made from a three-phase coordinate system of the stator phase currents to a two-phase stationary one. The hypothesis that the active resistances of the stator winding are equal is accepted. After that, the projections of the derivative projections of the stator flux linkages on the fixed axes of the two-phase coordinate system are calculated as the difference between the phase voltages of the stator and the voltage drop on the active stator supports. This approach is correct when the stator windings are symmetrical. This circumstance is explained by the following factor. The system of equations describing the electromagnetic processes in the stator windings of an induction motor have the form [43]

In the classical DTC the transition from ABC to αβ coordinates is carried out under the condition of symmetry of both the stator phase voltages and the active and reactive resistances of the stator windings. Therefore, the system of stator currents and flux linkages will also be symmetrical. This fact is important, because with the symmetry of the power supply voltage when it is decomposed into direct, inverse and constant symmetrical components [45], the constant and inverse component are equal to zero. This also applies to the right-hand side of the system of equation (19). Since the operations in the system of equations are linear, the transition from ABC to αβ coordinates can be carried out separately for voltage drops on the active resistances of the stator windings and derivatives of the phase flux linkages of the stator. Since with the symmetry of the stator windings Rsa = Rsb = Rsc = Rs , when moving from ABC to αβ coordinates, the system of equations describing electromagnetic processes in the stator windings of an induction motor will be similar to the first two equations of system (3).
If the stator windings are not symmetrical, the system of phase currents and flux linkages becomes asymmetrical with a symmetrical system of supply voltages. That is, constant and inversely symmetric components appear in these systems [45]. In connection with this factor, the algorithm for calculating stator phase flux linkages, which is used in the classical DTC, becomes incorrect, because in case of asymmetry of the stator windings R sa ≠ R sb ≠ R sc and when moving from ABC to αβ coordinates, the inverse and constant symmetric components. This leads to an error in the calculation of the projections of the derivatives of the phase flux linkages of the stator.
It is proposed to use coordinate transformations not for the phase currents of the stator, but for the voltage drops on the active resistances of the stator windings when determining the projections of the derivative flux linkages of the stator onto the fixed axes of the two-phase coordinate system. This will make it possible to take into account the inequality of the active resistances of the stator windings when asymmetric modes occur in the windings of the induction motor. In turn, this increases the accuracy of determining the module of the space vector of the stator flux coupling, its angle, torque and, as a result, the DTC algorithm becomes stable. The mathematical model of the improved DTC is based on the model (1)-(18) with the following adjustments. Coordinate transformations based on expressions (17) are performed for the voltage drop on the active resistances of the stator windings

Then the first two equations of system (3) will have the form

Then the block simulation model of the flow coupling observer taking into account expressions (20) and (21) in the MATLab software environment looks as shown in (figure 9). All other blocks of the simulation model (figure 6) have not undergone any changes. Time diagrams of motor shaft rotation speed (figure 10(a)), torque (figure 10(b)), stator currents (figure 10(c)) and stator currents in steady state (figure 10(d)) were obtained on the proposed simulation models for a traction motor with asymmetry of the stator windings. For symmetric regimes of the stator windings, studies on the improved model were not carried out, as in symmetric regimes the system of equation (20) is equal to the first two equations of system (3). In other words, with symmetrical winding modes of an induction motor, the improved system will work as a classic direct torque control system and the corresponding time diagrams will look as shown in figure 7.
Figure 9. Simulation model of the proposed flux coupling observer in the MATLab software environment.
Download figure:
Standard image High-resolution imageFigure 10. Time diagrams of motor shaft rotation speed (a), torque (b), stator currents (c) and stator currents in steady state (d) obtained on the proposed simulation model for a traction motor with stator winding asymmetry.
Download figure:
Standard image High-resolution imageAs can be seen from figures 10(b) and (d), the proposed direct torque control algorithm is stable. This circumstance is explained by the fact that taking into account the imbalance of the active resistances of the stator windings when calculating the amplitude of the stator flux coupling vector leads to a decrease in the adjustment error. The consequence of this fact is the reduction of the system adjustment error accumulated during the operation of the direct torque control system.
The following parameters are determined from the time diagrams for the stable mode; the maximum value of the electromagnetic moment Tmax = 16310 N·m , the minimum value of the electromagnetic moment Tmin = 4118 N·m, the frequency of rotation of the motor shaft nr = 1110 rpm. The calculated average value of the electromagnetic moment Tav. = 10214 N·m. According to the values of the phase current of the stator of phase A, the first harmonic components of the instantaneous value of the stator current were determined, the values of which were Isa1 = 831,1 A, Isb1 = 660,9 A, Isc1 = 689,6 A. This fact does not contradict to the results obtained during the study of the inter-turn short circuit in the stator winding, given in works [26, 27].
Attention is also drawn to the fact that torque pulsations with asymmetric traction motor windings (figure 10(b)) have a larger amplitude than with symmetrical stator windings (figure 7(a)). This circumstance is explained by the fact that the asymmetry of the stator windings even when the induction motor is powered by a sinusoidal voltage system causes torque pulsations [26, 27]. These ripples are superimposed on the torque ripples caused by the power supply of the induction motor from the voltage inverter, which is based on the pulse width modulation (PWM) algorithm.
3. Discussion
In the work, the DTC is considered for the study of electrodynamic processes in the traction drive system with an induction motor with the possible presence of asymmetric modes in its windings.
In the classic system of direct torque control, when building a flux coupling monitoring unit, the assumption is made that the active resistances of the stator of all phases of the induction motor are the same. This factor leads to the fact that when asymmetry occurs in the windings of an induction motor, the classic direct torque control algorithm becomes unstable (figure 8).
An improved model of the classic direct torque control system is proposed for the study of electrodynamic processes in the traction drive system of electric rolling stock with the possible presence of asymmetric modes in the windings of an asynchronous traction electric motor. When determining the projections of the derivatives of the stator flux linkages on the fixed axes of the two-phase coordinate system, use coordinate transformations not for the phase currents of the stator, but for the voltage drops on the active resistances of the stator windings. This made it possible to take into account the inequality of the active resistances of the stator windings when asymmetric modes occur in the windings of the induction motor. As a result, this ensured the accuracy of determining the module of the space vector of the stator flux coupling, its angle, torque, and, as a result, the direct torque control algorithm became stable.
It is worth noting that the improved DTC ensures the operability of the traction electric drive in asymmetric emergency modes. However, in this case, the traction electric drive works with damage, and the torque of the electric motor has significant pulsations. This increases the risk of damage to electric rolling stock equipment. Therefore, the duration of work should be a short period of time, which is necessary for identification of damage.
The presented study has a theoretical nature and is aimed at ensuring the application of methods for diagnosing damage to traction electric motors in case of the DTC. The proposed DTC algorithm was used in research on a simulation model, because the insufficient degree of study of the processes in the system with the proposed DTC increases the risks of damage to the expensive equipment required for physical simulation. In addition, during physical modeling, it is appropriate to confirm specific theoretical results, rather than the very fact of the system's performance.
Further research will be aimed at determining the diagnostic criteria, the use of which will ensure high-quality diagnostics of the traction electric drive in asymmetric modes. It is expected that for each type of damage to an electric motor or converter, signs will be found that uniquely characterize it.
4. Conclusion
In this study, an improved system of DTC in the traction drive system of electric rolling stock with induction motors is proposed.
The paper investigates the operation of the classical DTC with asymmetric windings of an induction motor. It is established that the DTC algorithm becomes unstable when asymmetry occurs in the windings of the traction induction motor.
It is proved that the instability of the DTC algorithm in the event of asymmetry in the windings of the traction induction motor is related to the incorrect determination of the modulus and phase of the space vector of the stator flux coupling. This circumstance is explained by the fact that in the classic DTC, when calculating the flux coupling projections, changes in the active resistances of the stator, characteristic of this mode, are not taken into account.
The DTC enhancements is based on taking into account the change in resistance of the stator winding, which occurs when it is damaged. This makes it possible to avoid errors in determining the torque and the modulus and phase of the spatial vector of the flow coupling and, as a result, to reduce the accumulation of the adjustment error. The proposed improvement ensures the operability of the traction electric drive, the study of which is carried out by means of simulation modeling.
Data availability statement
No new data were created or analysed in this study.
Funding
This study did not receive any specific grant from the public, commercial or non-commercial sector financial institutions.
CRediT author statement
Sergey Goolak: Original draft preparation, Investigation and Editing, Feedback, Borys Liubarskyi: Calculation of regulators, Ievgen Riabov: Modeling, Nataliia Chepurna: Review, Oleksandr Pohosov: Review.
Conflict of interest
The authors have no conflicts to disclose
























































